超薄平臺(tái)桌面型分割器
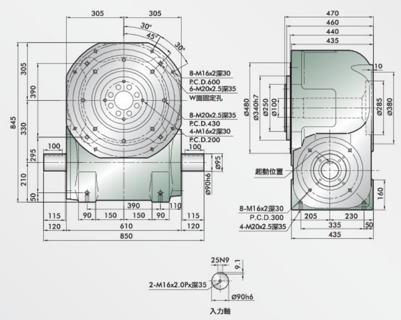
超薄平臺(tái)桌面型分割器330DA

歡迎來到常州松川精密機(jī)械有限公司官網(wǎng)!
CopyRight ? 2020 常州松川精密機(jī)械有限公司 All Rights Reserved 備案號(hào): 蘇ICP備09042135號(hào)-1